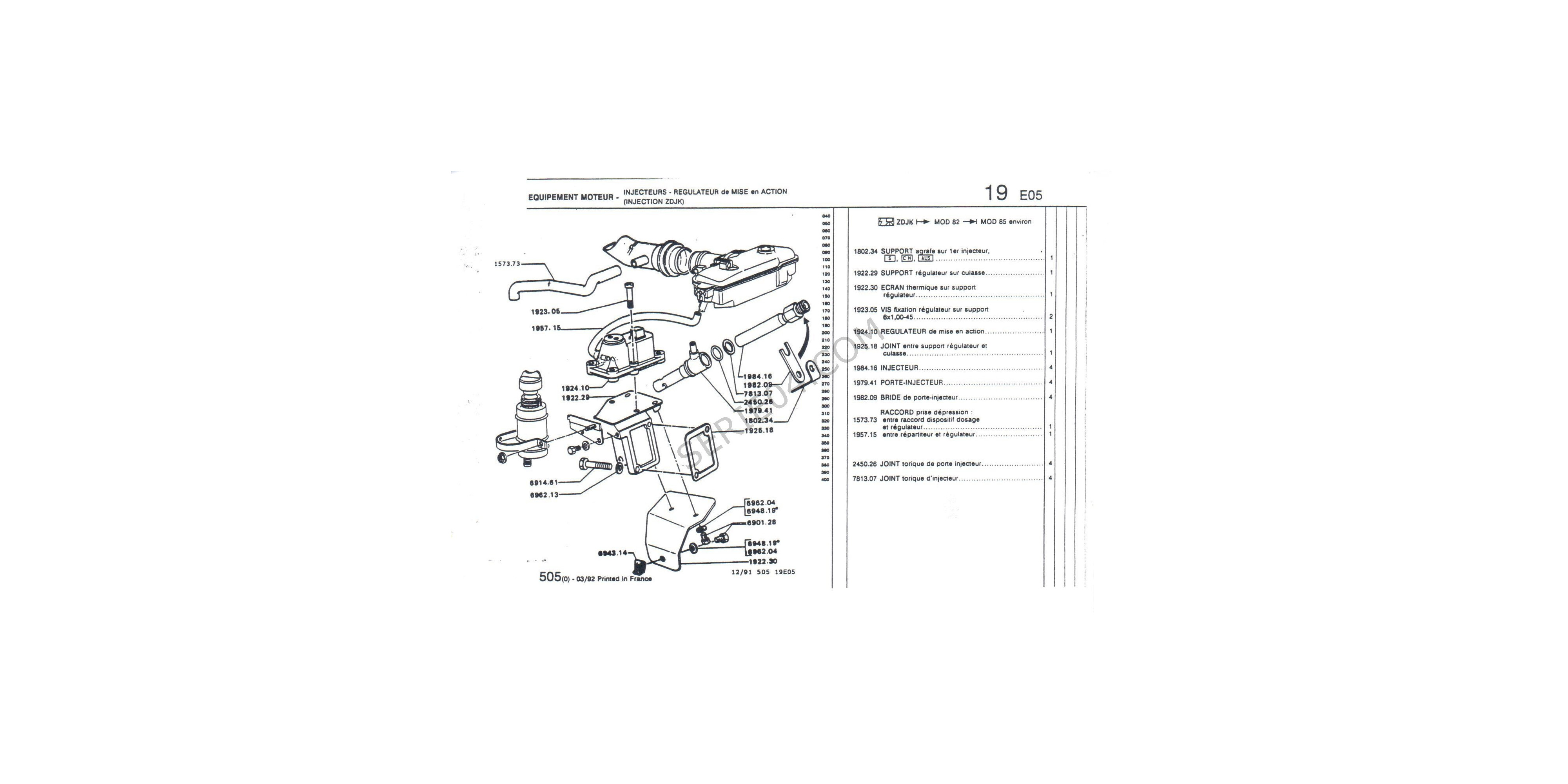
injection pump regulator hose
2 Item Items
Warning: Last items in stock!
Availability date: 2000-01-01

injection pump regulator hose
injection pump regulator hose
Recipient :
* Required fields
or Cancel
| Car | 505 |
| Models | sedan and station wagon |
| Engines | fuel Injection |
pipe between fuel meter and regulatorengine 2L0 i ZEJ ->I 1982