
Reference: 5033 28 FAG
Manufacturer: FAG
shock absorber stopper
Reference: 5033 28 SAS
Manufacturer: Sasic
shock absorber stopper
Reference: 5035 17 GOOM
Manufacturer: GOOM
Front shock absorber bearing Ø49x70.5x5mm
Reference: 5035 17 SAS
Manufacturer: Sasic
Front shock absorber bearing Ø49x70.5x5mm
Reference: 5035 27 SAS
Manufacturer: Sasic
Front shock absorberInternal Ø 65mmExternal Ø 100.72mmThickness 20mm
Reference: 5135 21
Manufacturer: Peugeot 2026
rear leaf spring shackle rubber bushing
Reference: 5145 13 KLO
Manufacturer: KLOKKERHOLM
rear spring blade holder left
Reference: 5145 14 VAN WEZ
Manufacturer: Van-Wezel
rear blade support spring right
Reference: 5166 25
Manufacturer: Peugeot '90s
Stop tailgating rear axle
Reference: 5173 13
Manufacturer: Peugeot '2000s/'2020s
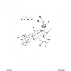
fixing nut Ø12mm - 11.2 thread pitch 125 205 for rear crossmember fixing 309 (XU9J4 engine) for rear axle fixing 405 for front lower ball joint nut 605-306 for rear axle nut J5 for rear shock absorber upper fixing nut 106 for front axle image no. 71
Reference: 5201 93 REC
Manufacturer: Record-France
pair of front shock absorbers-> I 1985
Reference: 5203 13 REC
Manufacturer: Record-France
pair of front shock absorbers 1985 I-> ->I 1995 sauf 1800 kg et Camping Car