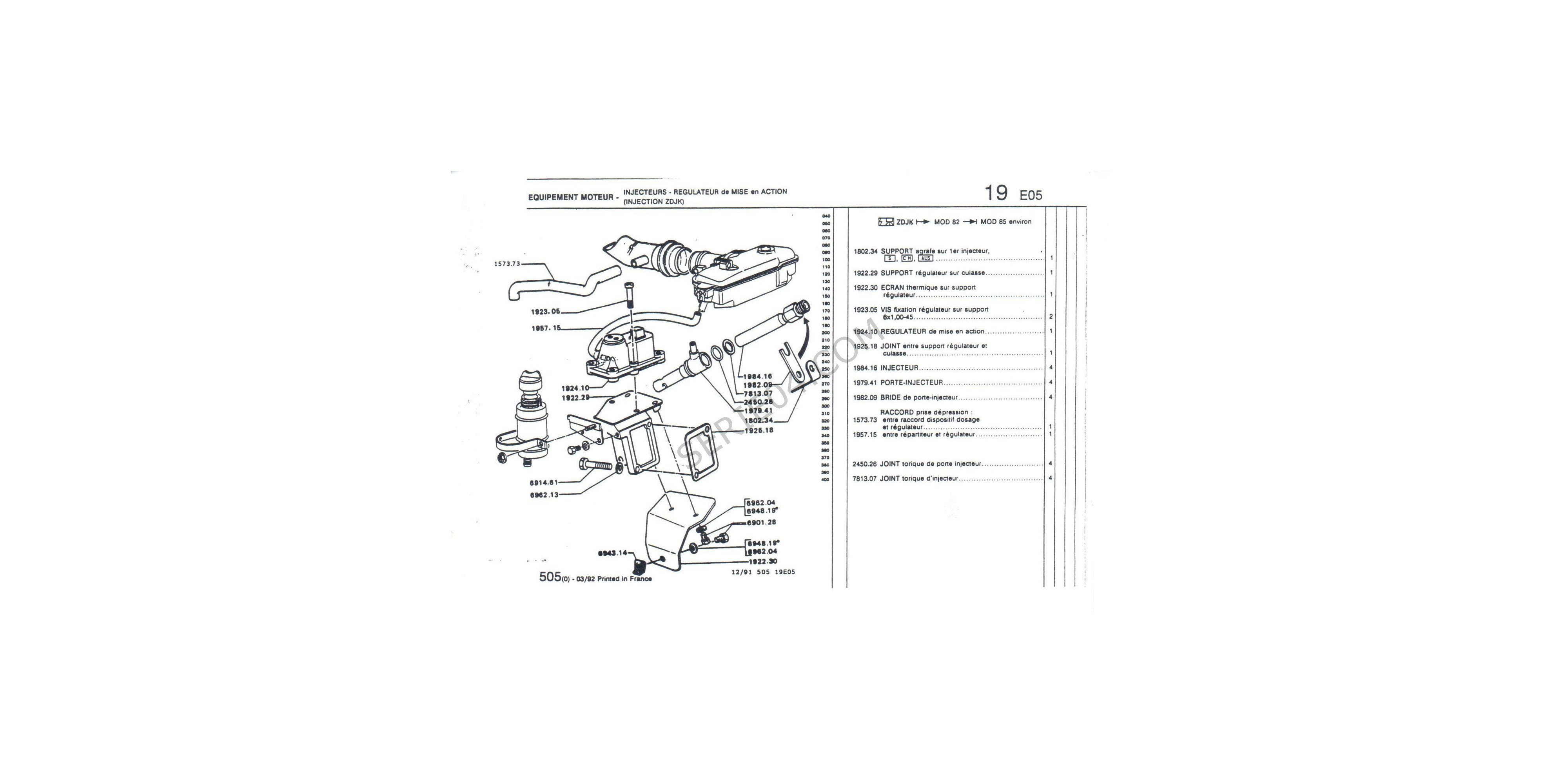
Reglerschlauch der Einspritzpumpe
2 Artikel Artikel
Achtung: Letzte verfügbare Teile!
Lieferdatum 01.01.2000

Reglerschlauch der Einspritzpumpe
Reglerschlauch der Einspritzpumpe
Empfänger :
* Pflichtfelder
oder Abbrechen
| Auto | 505 |
| Modelle | Berline et Break |
| Motoren | Essence Injection |
Rohr zwischen Dosierer und Kraftstoffregler2L0 i ZEJ-Motor ->I 1982