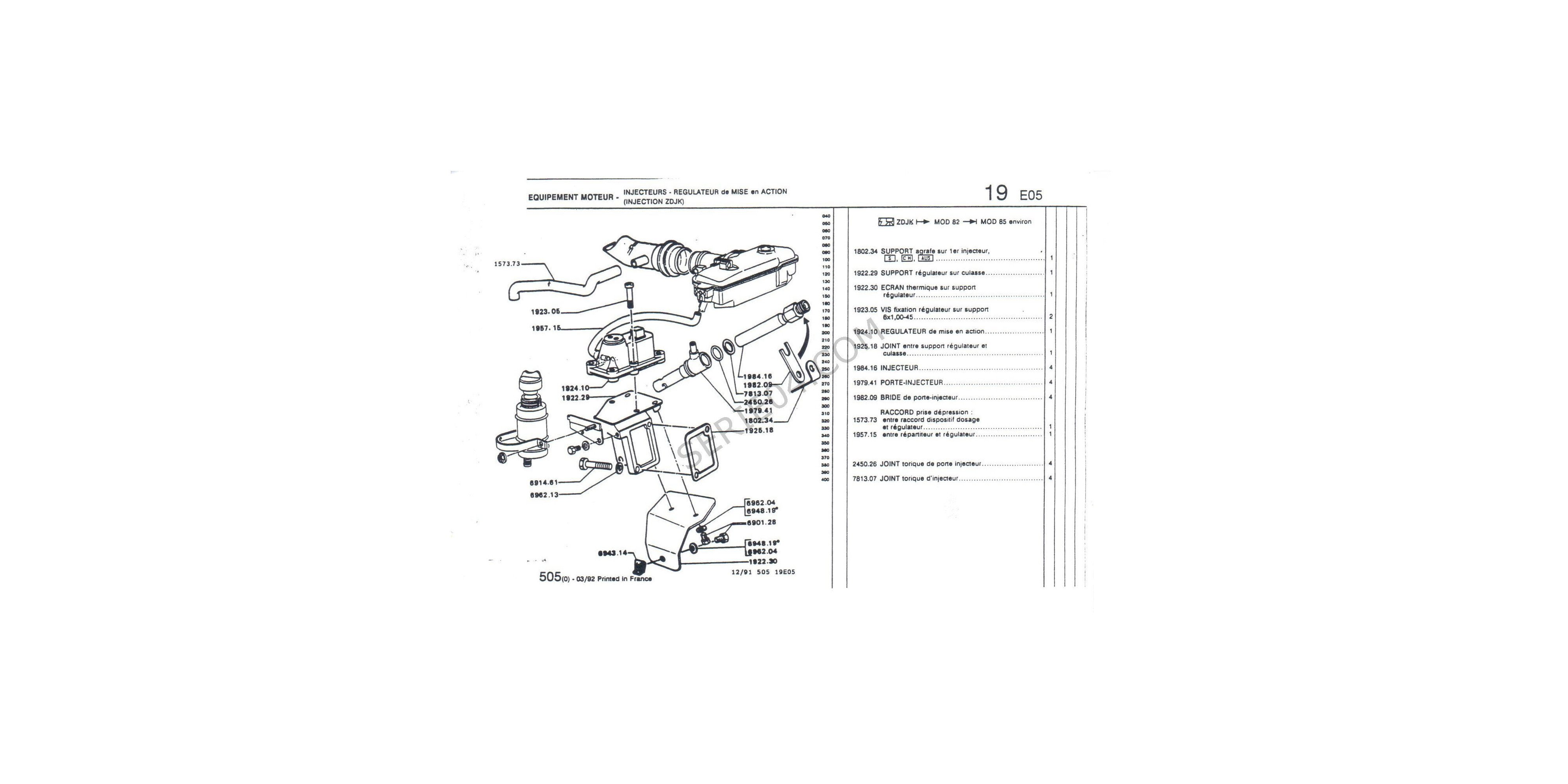
manguera reguladora de la bomba de inyección
2 Elemento artículos
Advertencia: ¡Últimos artículos en inventario!
Disponible el: 01/01/2000

manguera reguladora de la bomba de inyección
manguera reguladora de la bomba de inyección
Destinatario :
* Campos requeridos
o Cancelar
| Coche | 505 |
| Modelos | sedán y station wagon |
| Motores | inyección de combustible |
tubo entre dosificador y regulador de combustible2L0 i motor ZEJ ->I 1982