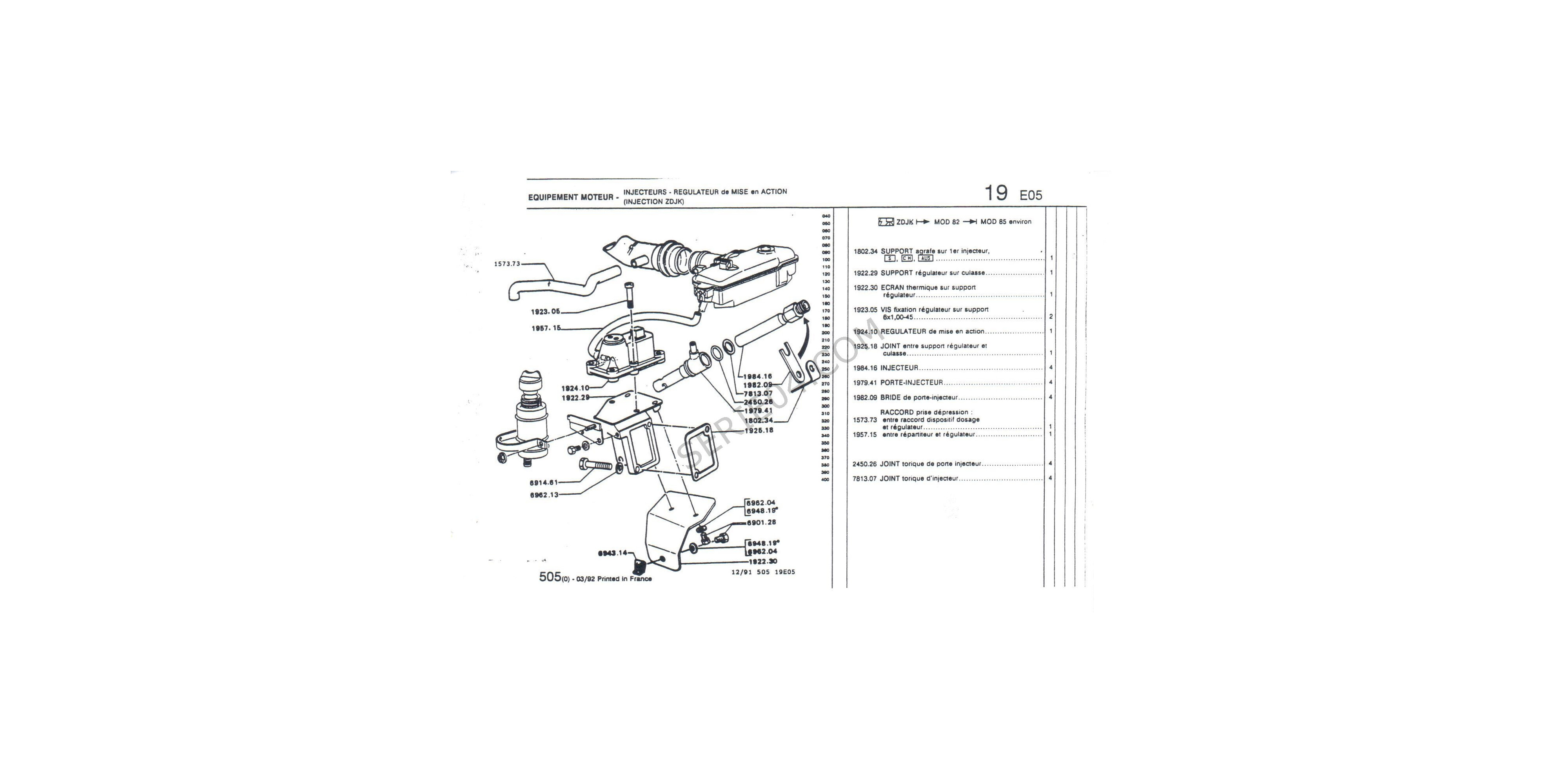
injectiepomp regelaar slang
2 Item Items
Waarschuwing: laatste item(s) op voorraad!
Beschikbaarheidsdatum: 01-01-2000

injectiepomp regelaar slang
injectiepomp regelaar slang
Ontvanger :
* Verplichte velden
of Annuleren
| Auto | 505 |
| Modellen | Limousine und Kombi |
| Motorisation | Fuel Injection |
leiding tussen doseerder en brandstofregelaar2L0 i ZEJ-motor ->I 1982