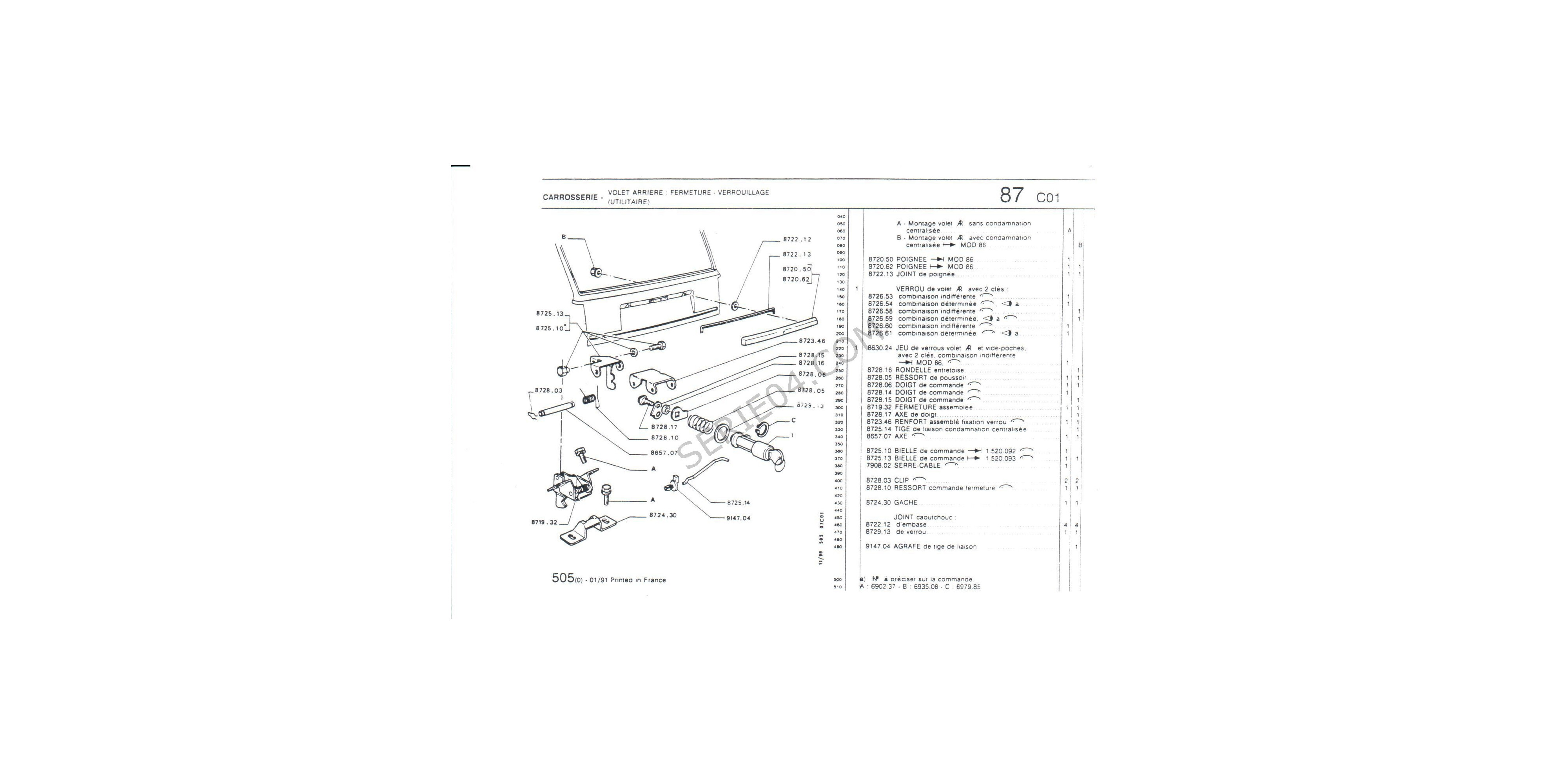
kofferbak slot achter
1 Item Items
Waarschuwing: laatste item(s) op voorraad!
Beschikbaarheidsdatum: 01-01-2000

kofferbak slot achter
kofferbak slot achter
Ontvanger :
* Verplichte velden
of Annuleren
| Auto | 505 |
| Modellen | Kombi |
| Motorisation | alle Motoren |
kofferbaksluiting 104 Berline 1977 I-> einde van productie 305-505 Break...