
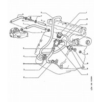
oliepomp - Breather - gauge 206
Referentie: 0164 54 COR
Fabrikant: Corteco
aftapplug pakkingØ16,7x24mmdikte 1,5 mm
Referentie: 0164 54 SAS
Fabrikant: Sasic
aftapplug pakkingØ16,7x24mmdikte 1,5 mm
Referentie: 0311 29 + 0113 40 MOB
Fabrikant: MOBY
Aftapplug HDi-motor Ø 10 mm 125 mm spoed
Referentie: 0313 38 SAS
Fabrikant: Sasic
aftapplugdichting Ø16 16,3x22x2mm
Referentie: 0379 42 SAS
Fabrikant: Sasic
durit huile -- 3310001
Referentie: 0381 27 SAS
Fabrikant: Sasic
CITROEN Berlingo I II III VL 09/96-05/18 CITROEN Berlingo I II III VU 07/96-05/18 CITROEN C2 CITROEN C3 I II -09/16 CITROEN C3 Picasso CITROEN C4 I II -02/18 CITROEN C4 Picasso I -06/13 CITROEN C5 CITROEN Xsara Picasso DURIT HUILE
Referentie: 1001 87 SAS
Fabrikant: Sasic
oliepompmotor 1L6i 16v TU5JP4