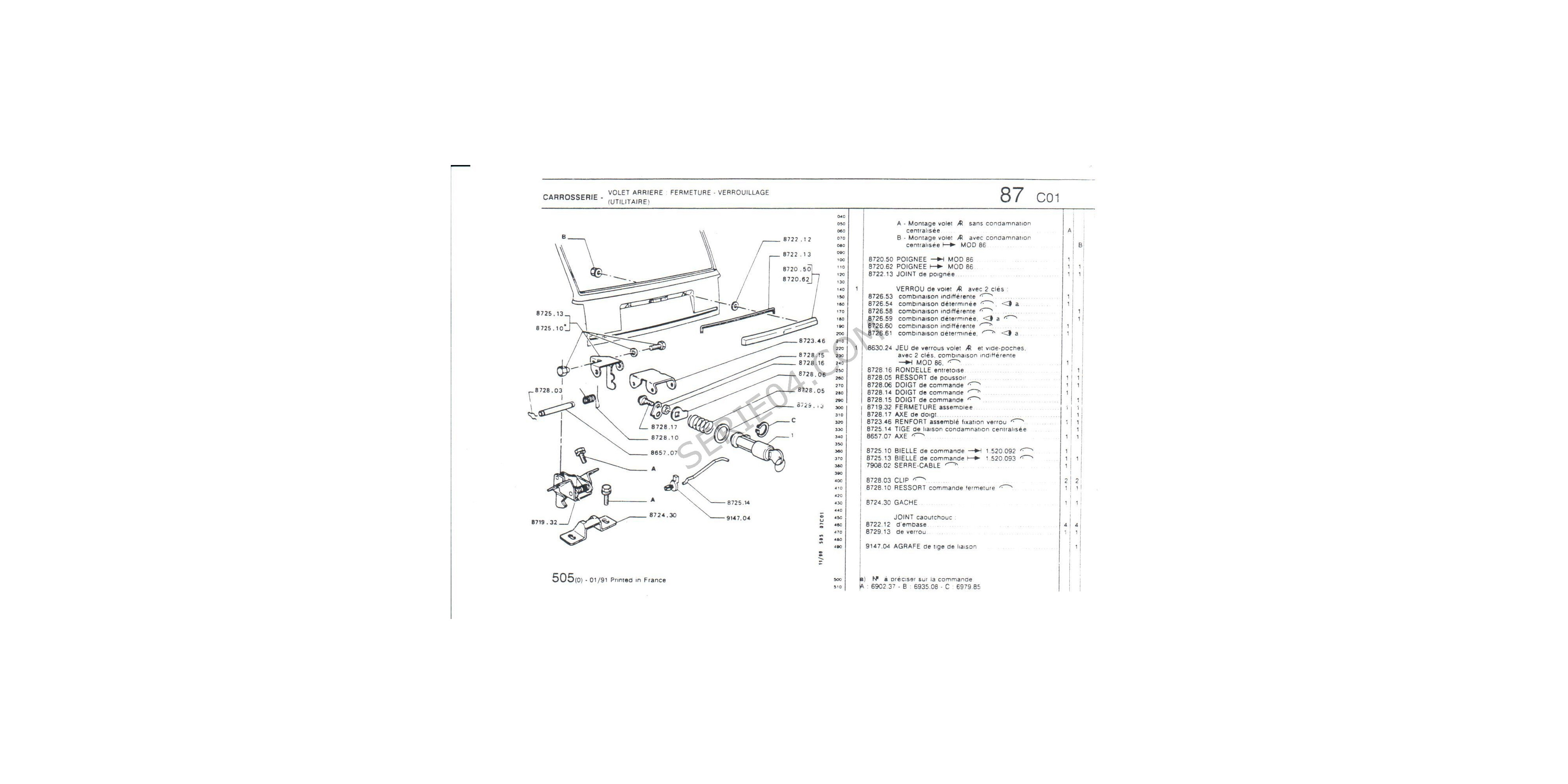
Kofferraumschloss hinten
1 Artikel Artikel
Achtung: Letzte verfügbare Teile!
Lieferdatum 01.01.2000

Kofferraumschloss hinten
Kofferraumschloss hinten
Empfänger :
* Pflichtfelder
oder Abbrechen
| Auto | 505 |
| Modelle | Break |
| Motoren | Tous moteurs |
Kofferraumverschluss 104 Limousine 1977 I-> Ende der Produktion 305-505...