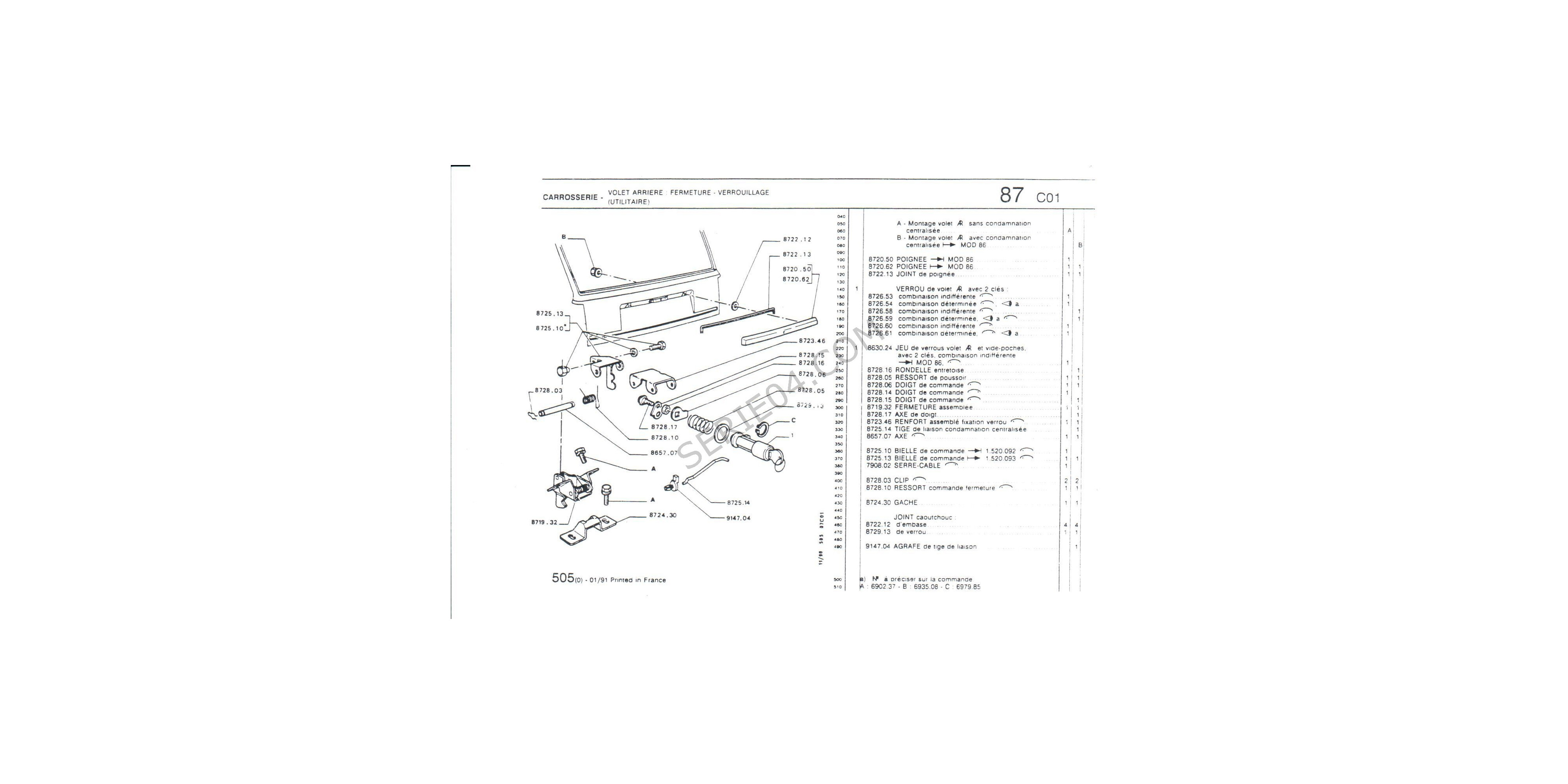
verrou de coffre arrière
1 Article en stock au magasin : Produits disponibles au magasin
Attention dernière pièce disponible !
Date de disponibilité: 01/01/2000

verrou de coffre
verrou de coffre arrière
Destinataire :
* Champs requis
OU Annuler
| Voiture | 505 |
| Modèles | Break |
| Motorisation | Toutes motorisation |
fermeture de coffre 104 Berline 1977 I-> à fin de série 305-505 Break...