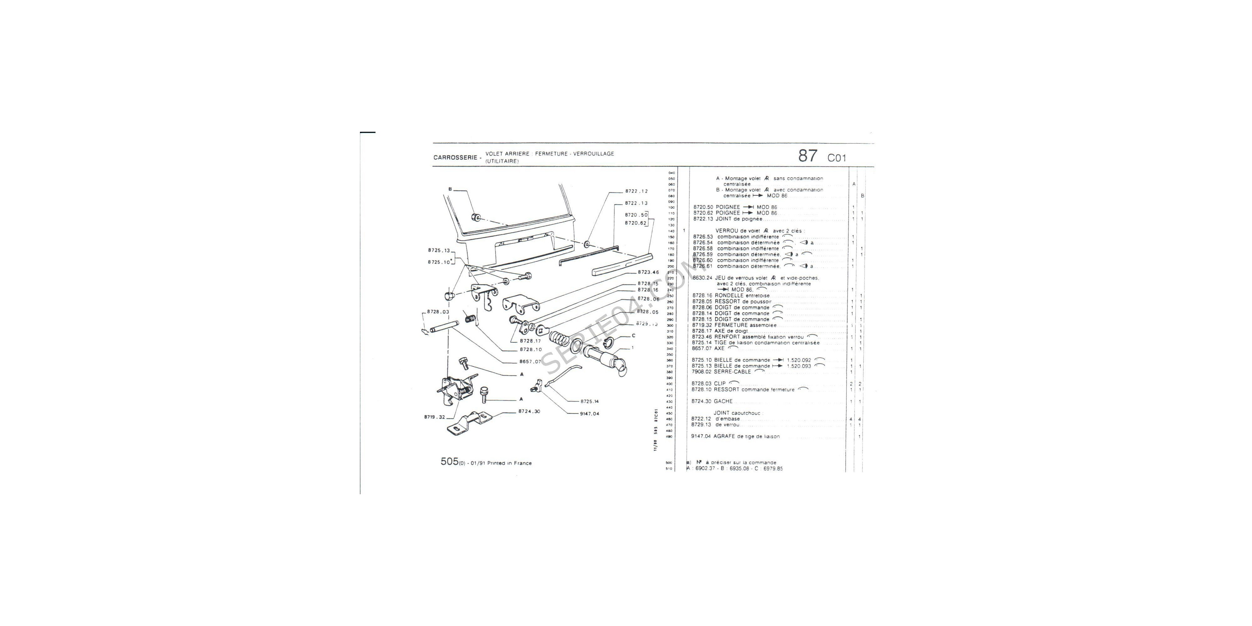
blocco bagagliaio posteriore
1 Articolo Articoli
Attenzione: Ultimi articoli in magazzino!
Disponibile dal: 01/01/2000

blocco bagagliaio posteriore
blocco bagagliaio posteriore
Destinatario :
* Campi richiesti
o Annulla
| Auto | 505 |
| Modelli | station wagon |
| Motori | Tutti i motori |
chiusura del bagagliaio 104 Berlina 1977 I-> fine serie 305-505 Station...