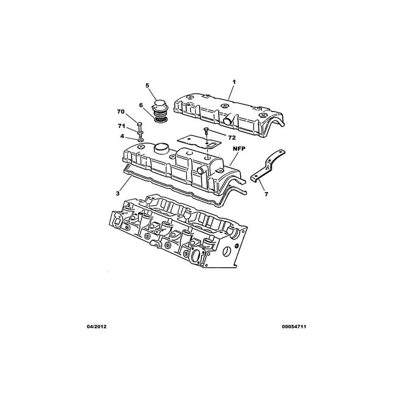
Rocker cover washer
1L8D-1L8TD-1L9D-1L9TD XUD7-XUD7T-XUD9-XUD9TE engine.
0 Item Items
On order (+24h)
Warning: Last items in stock!
Availability date: 2000-01-01

Seal washer
Rocker cover washer
1L8D-1L8TD-1L9D-1L9TD XUD7-XUD7T-XUD9-XUD9TE engine.
Recipient :
* Required fields
or Cancel
| Car | 205-305-306-309-405-J5-J9-Horizon-BX-C25-Xantia-Xsara-ZX |
| Models | all models |
| Engines | diesel et turbo diesel |
diesel engine XUD
picture n°4
expansion tank hose Ø11.2x15.2mm length 500mm ->I 01/05/1992 except engine...
thermostat gasketØ68mm504-604 V6 engine 2L7-2L7i ZM-ZMJ-ZNJ and Indénor...