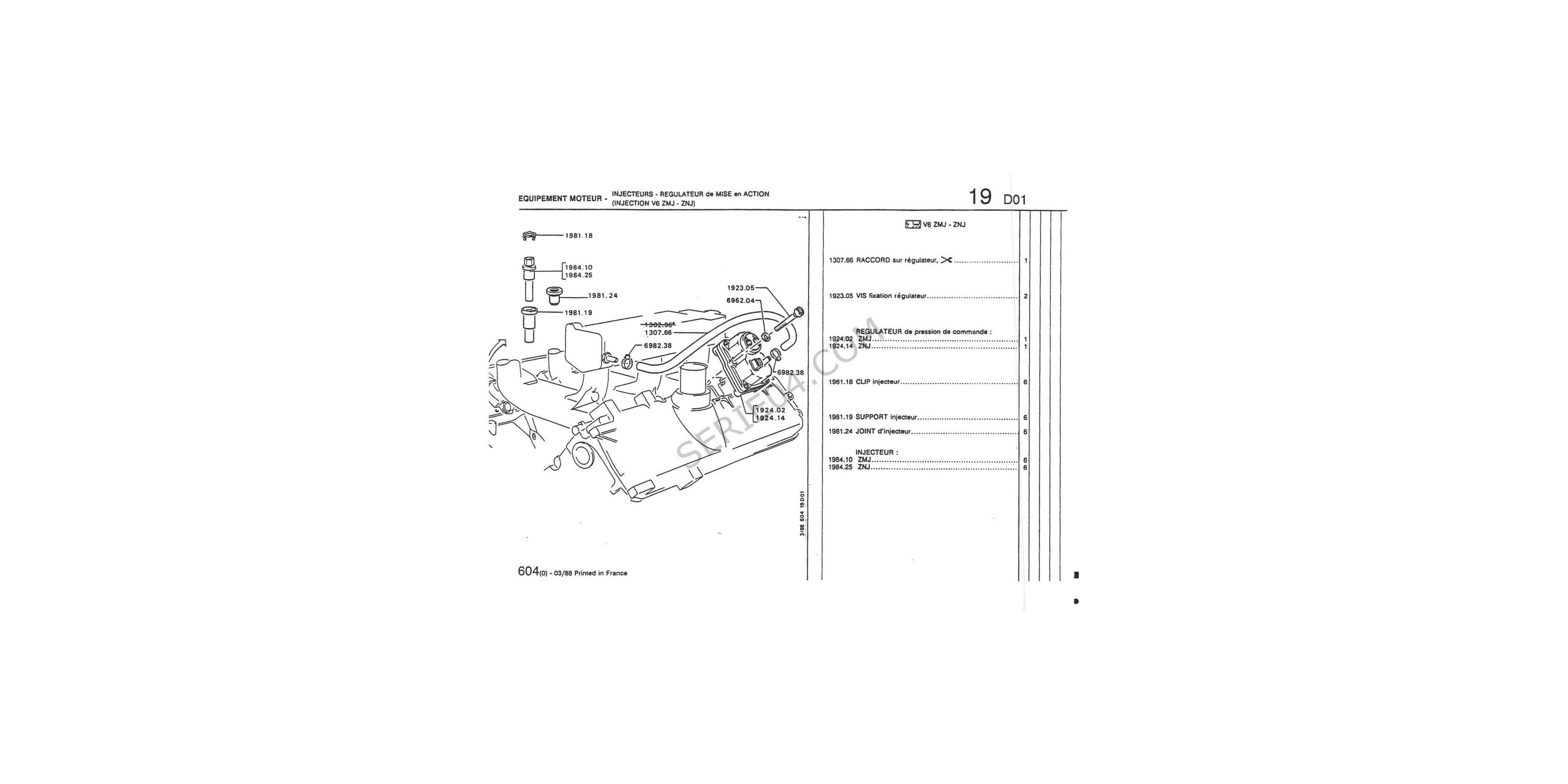
injector
V6 2L8i ZNJ-motor
7 Item Items
Waarschuwing: laatste item(s) op voorraad!
Beschikbaarheidsdatum: 01-01-2000

injector
injector
V6 2L8i ZNJ-motor
Ontvanger :
* Verplichte velden
of Annuleren
| Auto | 604-De Lorean-Volvo 760-Lancia Thema |
| Motorisation | Fuel Injection |