Reparatieset voor remklauwpen
voor of achter
Bendix-montage
Ø12,55x20mm
lengte 62,7 mm
3 Item Items
Waarschuwing: laatste item(s) op voorraad!
Beschikbaarheidsdatum: 01-01-2000

Reparatieset voor remklauwpen
Reparatieset voor remklauwpen
voor of achter
Bendix-montage
Ø12,55x20mm
lengte 62,7 mm
Ontvanger :
* Verplichte velden
of Annuleren
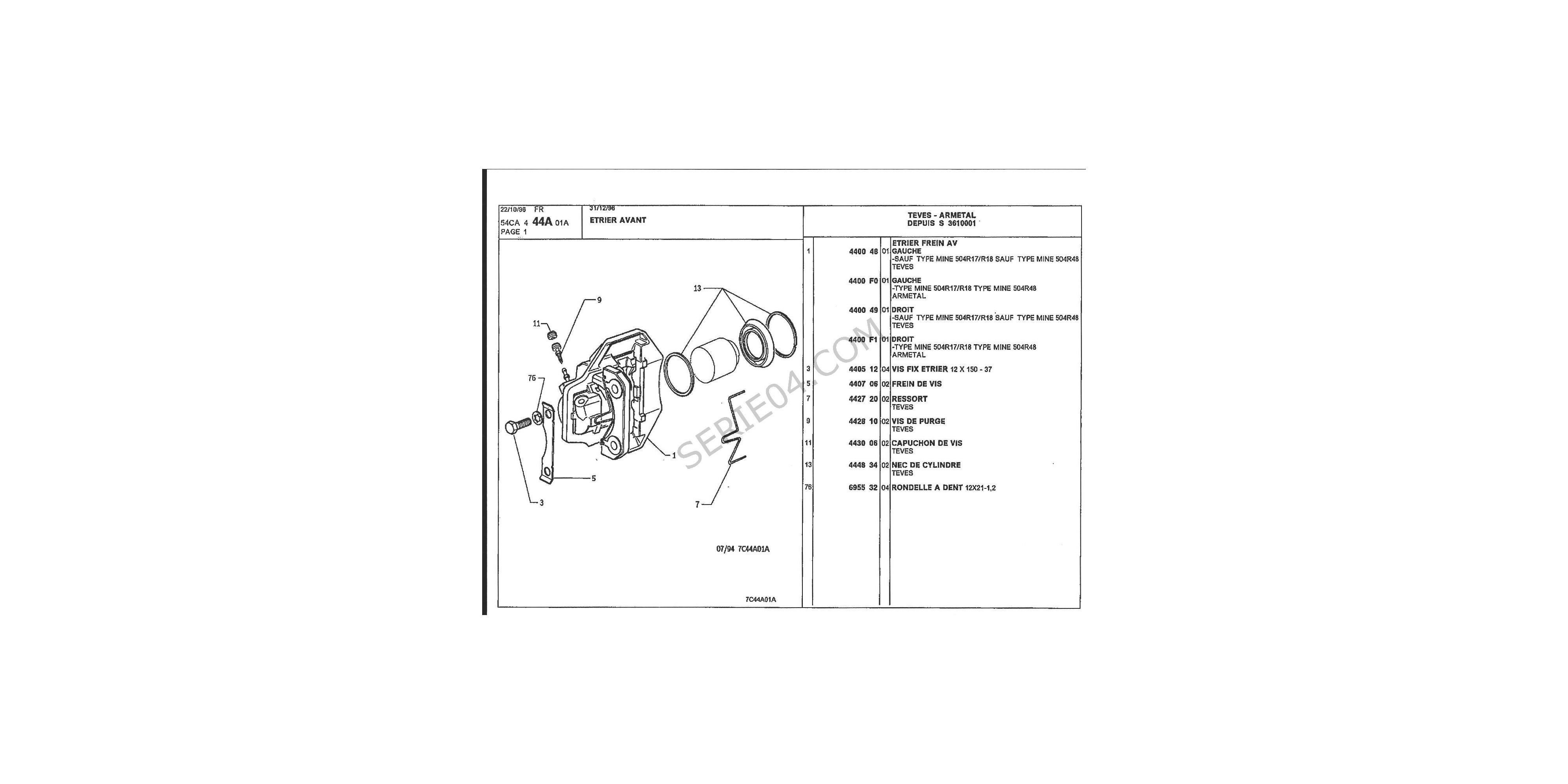
| Auto | 504-106-205-206-306-309-405-505 |
ex 4439 03 ex 95590797 ex 7701201837
504 Pick-up
remklauw reparatieset voorzijde Bendix installatie Ø 48mm zuiger behalve GTI 1L9
uitlaat- of inlaatspruitstukstift Ø8mm 32-22-18mm schroefdraadspoed 125