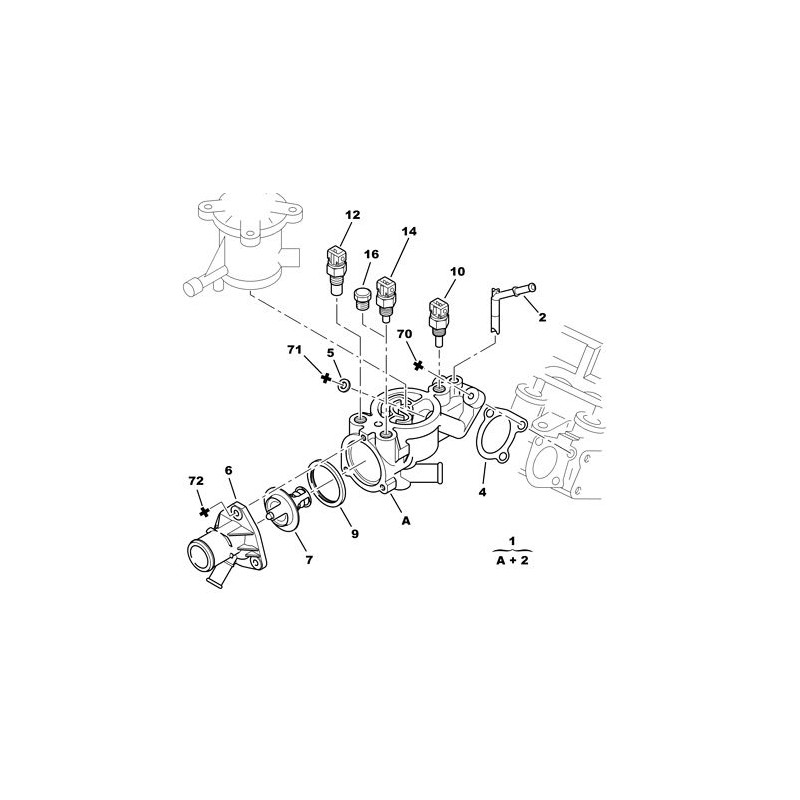
tubo scarico acqua Ø7x9,5mm
Motore 1L8D-1L9D XUD7-XUD9-DW8
2 Articolo Articoli
Attenzione: Ultimi articoli in magazzino!
Disponibile dal: 01/01/2000

tubo scarico acqua Ø7x9,5mm
tubo scarico acqua Ø7x9,5mm
Motore 1L8D-1L9D XUD7-XUD9-DW8
Destinatario :
* Campi richiesti
o Annulla
| Auto | 205-405-206-306-406-806-Expert 1&2-Partner M49-M59-Berlingo-C15-Evasion-Jumpy I&II-Xantia-Xsara-ZX |
| Motori | Diesel |