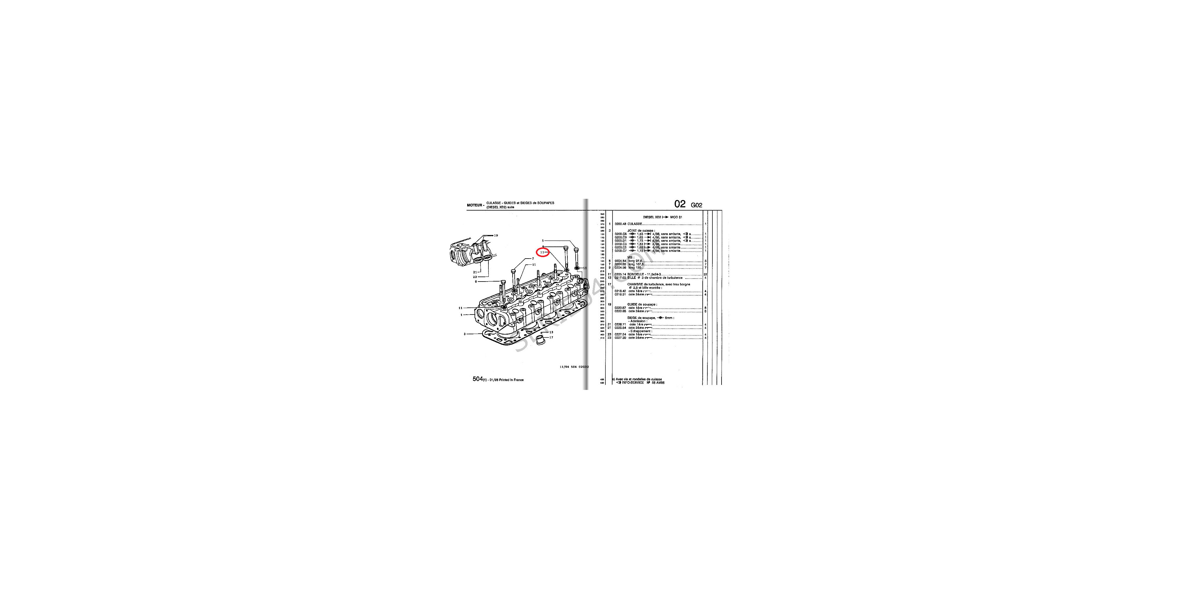
viti della testata rondella
Ø11.5x24-3mm
0 Articolo Articoli
Su ordinazione (+24h)
Attenzione: Ultimi articoli in magazzino!
Disponibile dal: 01/01/2000

viti della testata rondella
viti della testata rondella
Ø11.5x24-3mm
Destinatario :
* Campi richiesti
o Annulla
| Auto | 403-D4BD-404-504-604-505-J7-J9-P4-Tagora-Boxer3-Expert 3&4-307-407-607-807-308-3008-508-5008-RCZ-Traveller-Jumper III-Jumpy-C4-C5-C6-C8-DS4-DS5 |
| Motori | diesel et turbo diesel |
ex 0205 09
set di bulloni0204 54x8 + 0204 55x7 + 0204 56x7motore indenor XD2S-XD3-XD3T...
alloggiamento della guarnizione distribuzione
tappo sul blocco motoreØ32mmmateriale: ottone
gomma di tenuta del cuscinetto dell'albero motore L70mm
set di bulloni0204 54x8 + 0204 55x7 + 0204 56x7motore indenor XD2S-XD3-XD3T...