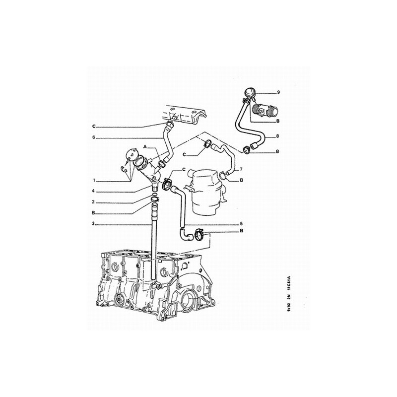
tubo sfiato vapori olio
XUD ->I motore 01/05/1992
5 Articolo Articoli
Attenzione: Ultimi articoli in magazzino!
Disponibile dal: 01/01/2000

tubo sfiato vapori olio
tubo sfiato vapori olio
XUD ->I motore 01/05/1992
Destinatario :
* Campi richiesti
o Annulla
| Auto | 205-309-C15 |
| Motori | Diesel |
tubo del termostatomotore 1L8D-1L9D-1L9TD XUD7-XUD9-XUD9TEF-XUD9TE-DW8-DW8B
tubo flessibile dello scambiatore di calore acqua olioMotore diesel 205-309...
tubo del radiatore del riscaldamento205 ->I 05/03/1992Motore 1L8D XUD7
tubo flessibile dello scambiatore di calore acqua olioMotore diesel 205-309...