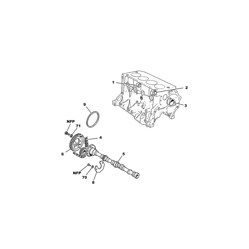
doppia catena di distribuzione, 50 maglie
205-309-Motore Talbot E1-G1-F1-Y2-J2
0 Articolo Articoli
Su ordinazione (+24h)
Attenzione: Ultimi articoli in magazzino!
Disponibile dal: 01/01/2000

doppia catena di distribuzione, 50 maglie
doppia catena di distribuzione, 50 maglie
205-309-Motore Talbot E1-G1-F1-Y2-J2
Destinatario :
* Campi richiesti
o Annulla
| Auto | 205-309-1100-1307-1308-Rancho-Solara |
| Motori | benzina carburatore |
valvola di scaricoØ28.9mmasta Ø 8 millimetrilunghezza 107,8 millimetri
set di 3 segmentiØ 76,70 mm1294cc e 1442ccmotore G1-1G4-3G4-366 / 3...