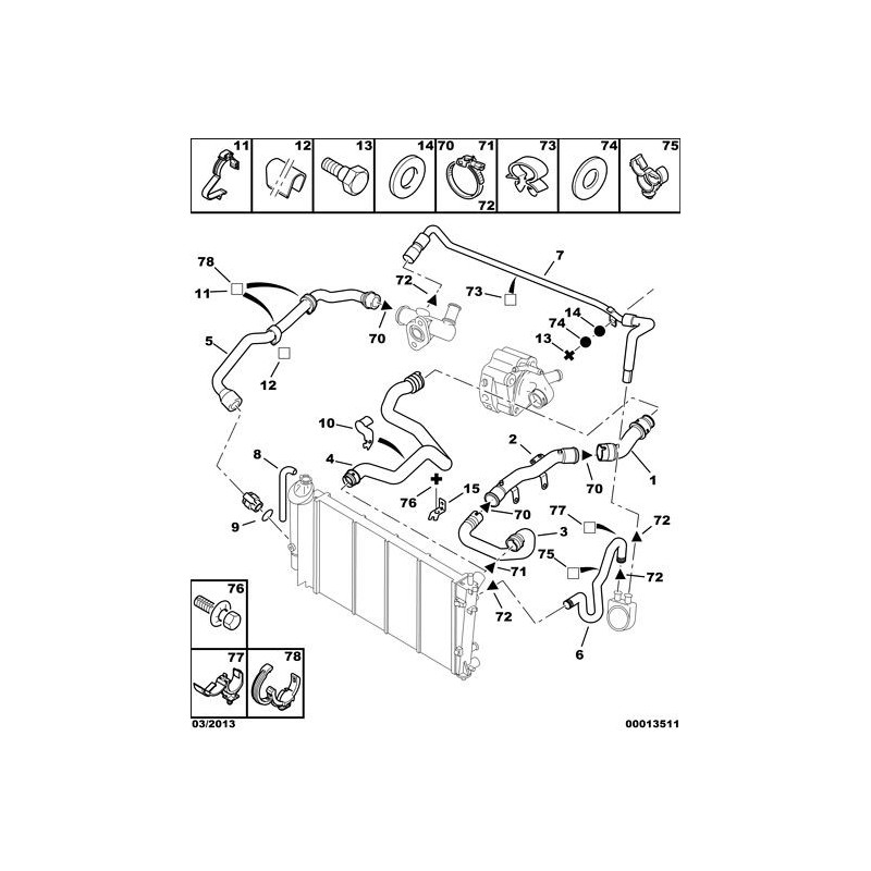
durite de refroidissement
306 restylée
moteur 1L8i 16v-2L0i 16v XU7JP4-XU10J4R
1 Article en stock au magasin : Produits disponibles au magasin
Attention dernière pièce disponible !
Date de disponibilité: 01/01/2000

durite de refroidissement
durite de refroidissement
306 restylée
moteur 1L8i 16v-2L0i 16v XU7JP4-XU10J4R
Destinataire :
* Champs requis
OU Annuler
| Voiture | 306-Xsara-ZX |
| Motorisation | Essence Injection |
image n°3