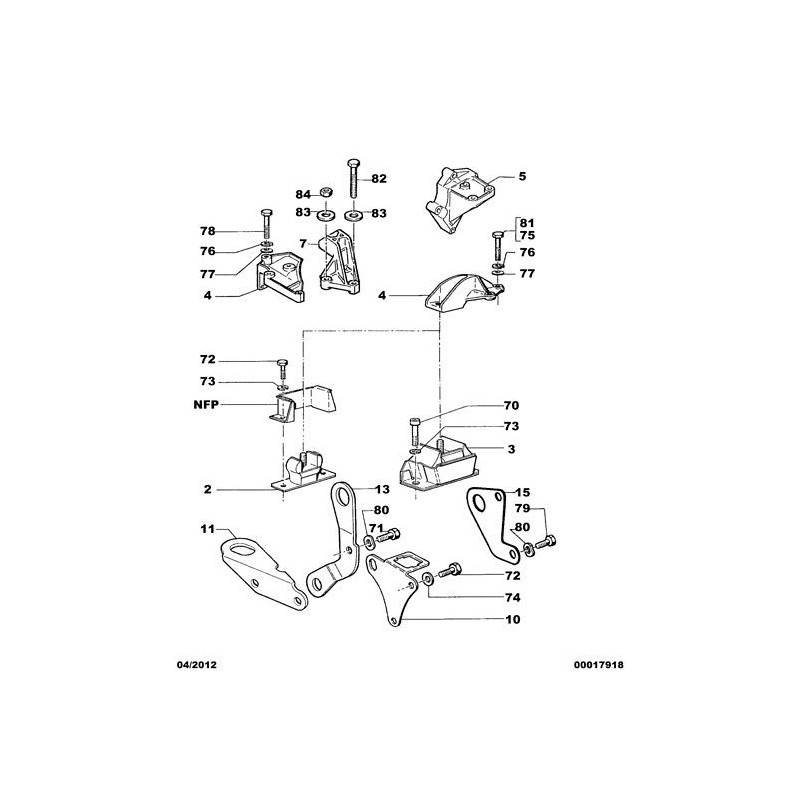
support moteur
côté droit
06-1985 I-> à fin de série.
0221892 I-> à fin de série.
moteur CRD93-CRD93S-XUD9A 2L5D-2L5TD-1L9D
47 Article en stock au magasin : Produits disponibles au magasin
Attention dernière pièce disponible !
Date de disponibilité: 01/01/2000

Support moteur
support moteur
côté droit
06-1985 I-> à fin de série.
0221892 I-> à fin de série.
moteur CRD93-CRD93S-XUD9A 2L5D-2L5TD-1L9D
Destinataire :
* Champs requis
OU Annuler
| Voiture | J5-C25 |
| Motorisation | Diesel |
image n°3
joint de collecteur d'admission moteur 2L5D-2L5TD CRD93-CRD93S
Joint spi de vilebrequin Ø75x90x12mm côté distribution moteur 2L5D-2L5TD...
vis de purge + capuchon Girling tous modèles et étrier avant moteur V6...