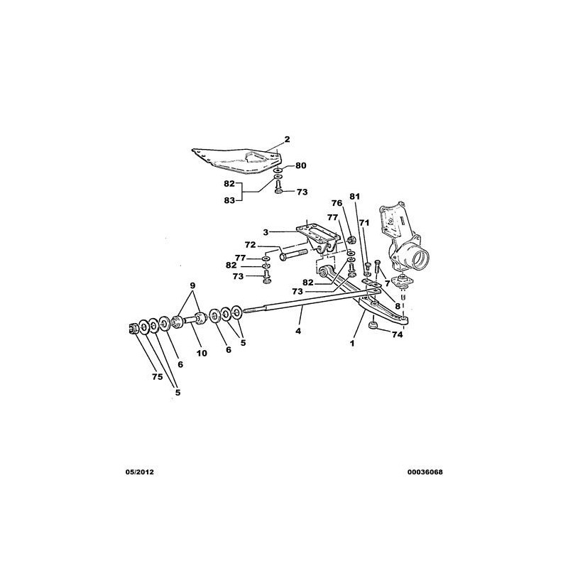
silentbloc de barre avant
103 Article en stock au magasin : Produits disponibles au magasin
Attention dernière pièce disponible !
Date de disponibilité: 01/01/2000

Silentbloc de bras de triangle avant
silentbloc de barre avant
Destinataire :
* Champs requis
OU Annuler
| Voiture | J5-C25-Ducato |
| Modèles | Tous modèles |
| Motorisation | Toutes motorisation |
Longueur [mm] : 20
Longueur [mm] : 24,5
Ø intérieur [mm] : 22
Ø extérieur [mm] : 48
image n°9
ex 9903402
durite de gicleur de lave glace vendu au mètre Ø 2x4mm transparent
silentbloc de bras avantØ extérieur 36mmØ du collier 51.5mmØ intérieur 12mm