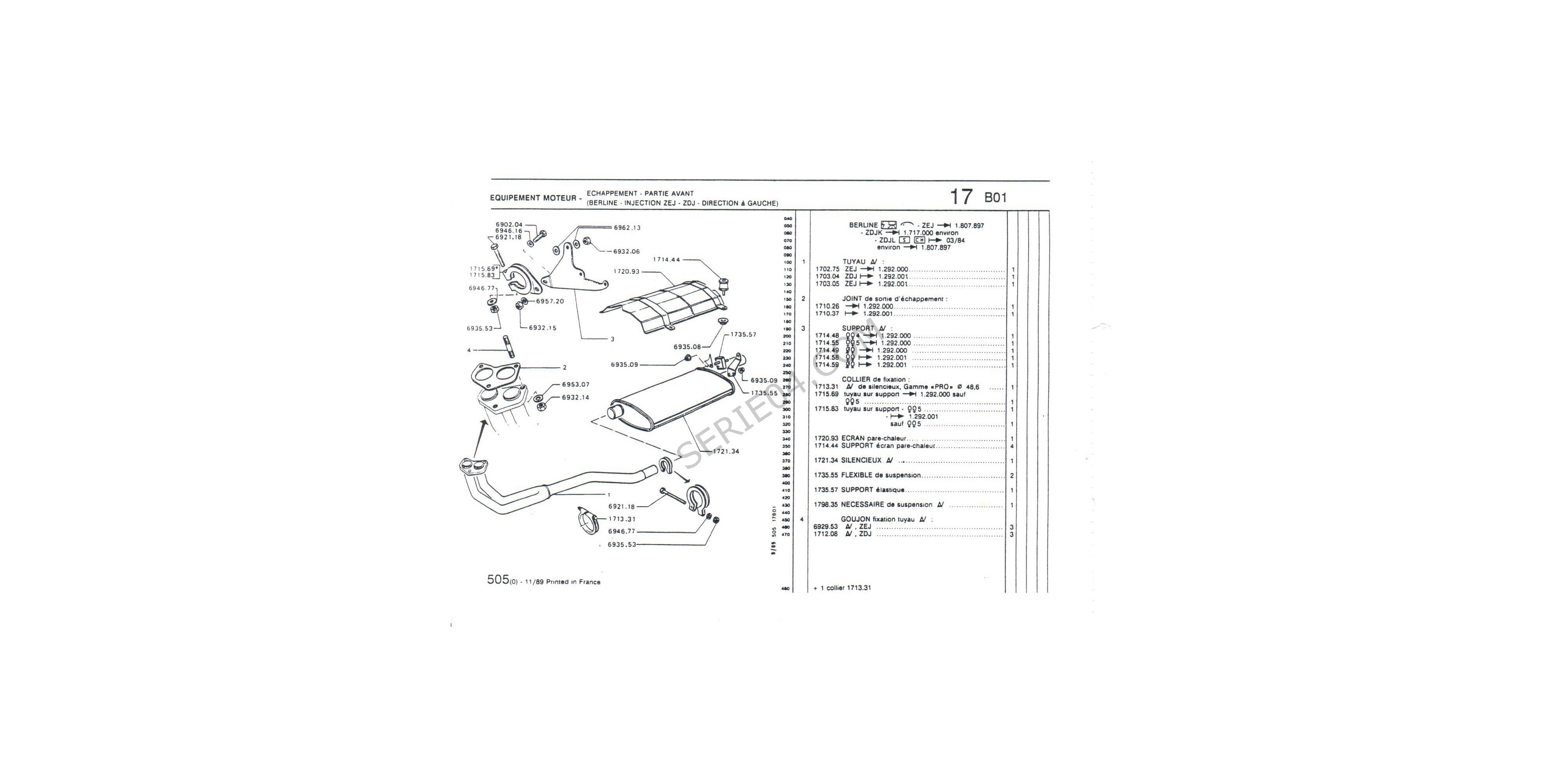
tuyau d'échappement avant
moteur 2L0i ZEJ ->I 1983 et ->I 1 126 777
1 Article en stock au magasin : Produits disponibles au magasin
Attention dernière pièce disponible !
Date de disponibilité: 01/01/2000

tuyau d'échappement avant
tuyau d'échappement avant
moteur 2L0i ZEJ ->I 1983 et ->I 1 126 777
Destinataire :
* Champs requis
OU Annuler
| Voiture | 505 |
| Modèles | Berline et Break |
| Motorisation | Essence Injection |
Référence : 1710 26
Marque : Peugeot '80s
joint de tube d'échappement moteur 2L0i-2L2i-1L8 ZEJ-ZDJ-XM7A ->I 1 292 000