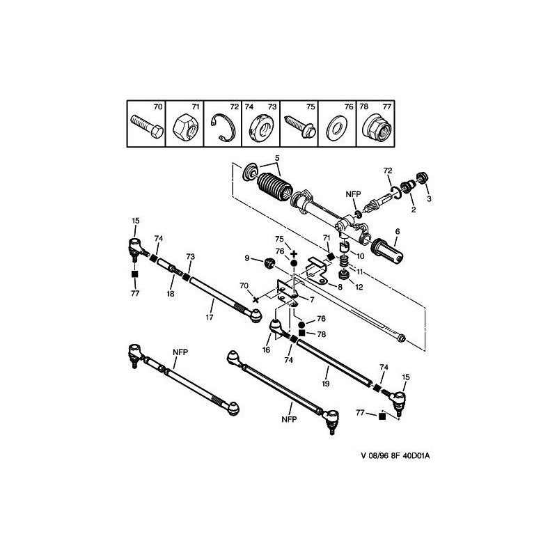
biellette de direction
côté droit
longueur 514.5mmmm
1 Article en stock au magasin : Produits disponibles au magasin
Attention dernière pièce disponible !
Date de disponibilité: 01/01/2000

biellette de direction
biellette de direction
côté droit
longueur 514.5mmmm
Destinataire :
* Champs requis
OU Annuler
| Voiture | 106-Saxo |
M14x1.5 - M14x1.5
image n° NFP