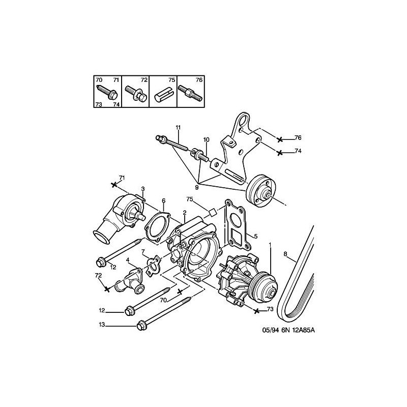
joint collecteur d'eau
Ø31x38mm
épaisseur 3.5mm
1 Article en stock au magasin : Produits disponibles au magasin
Attention dernière pièce disponible !
Date de disponibilité: 01/01/2000

joint de collecteur d'eau
joint collecteur d'eau
Ø31x38mm
épaisseur 3.5mm
Destinataire :
* Champs requis
OU Annuler
| Voiture | 605R-206-306-406-807-Expert 3-Partner-Boxer-XM-Berlingo-Jumper-Jumpy-C8-Xantia-XM-Xsara |
| Motorisation | Toutes motorisation |
image n°7
Boxer-605-XM-Jumper moteur 2L5D-2L5TD DJ5-DJ5TD-DJ5TED-Dk5ATE.
206-306-406-807-Expert 3 moteur TU-XU-EW.
Partner moteur TU et 1L9D DW8.