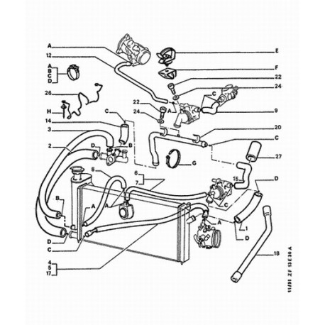
durite supérieure de radiateur
du tuyau de connexion au radiateur-moteur
moteur XU injection XU9J2 et XU9J1/XU9JAZ ->I 08483634 sauf XU9M et XU5M
moteur carburateur XU
2 Article en stock au magasin : Produits disponibles au magasin
Attention dernière pièce disponible !
Date de disponibilité: 01/01/2000

durite supérieure de radiateur
durite supérieure de radiateur
du tuyau de connexion au radiateur-moteur
moteur XU injection XU9J2 et XU9J1/XU9JAZ ->I 08483634 sauf XU9M et XU5M
moteur carburateur XU
Destinataire :
* Champs requis
OU Annuler
| Voiture | 405 |
| Modèles | Tous modèles |
| Motorisation | Essence Carburateur et Injection |
ex 1343 A2
image n°1
Référence : 9735 K0 3Dauto
Marque : CE
liquide de refroidissement permanent jaune - 25° bidon de 5L
durite inférieure du radiateur au boîtier derrière le moteur moteur 1L6i-1L9i...
joint de bac à huile 204 moteur 1L1 XK-XK4 10/1967 I-> à fin de série et...
durite supérieure de radiateur moteur 1L1-1L3 XK4-XL3-XL3S 1970 I-> ->I 1976
durite de chauffage arrivée Ø 20mm côté moteur moteur 1L6-1L9...