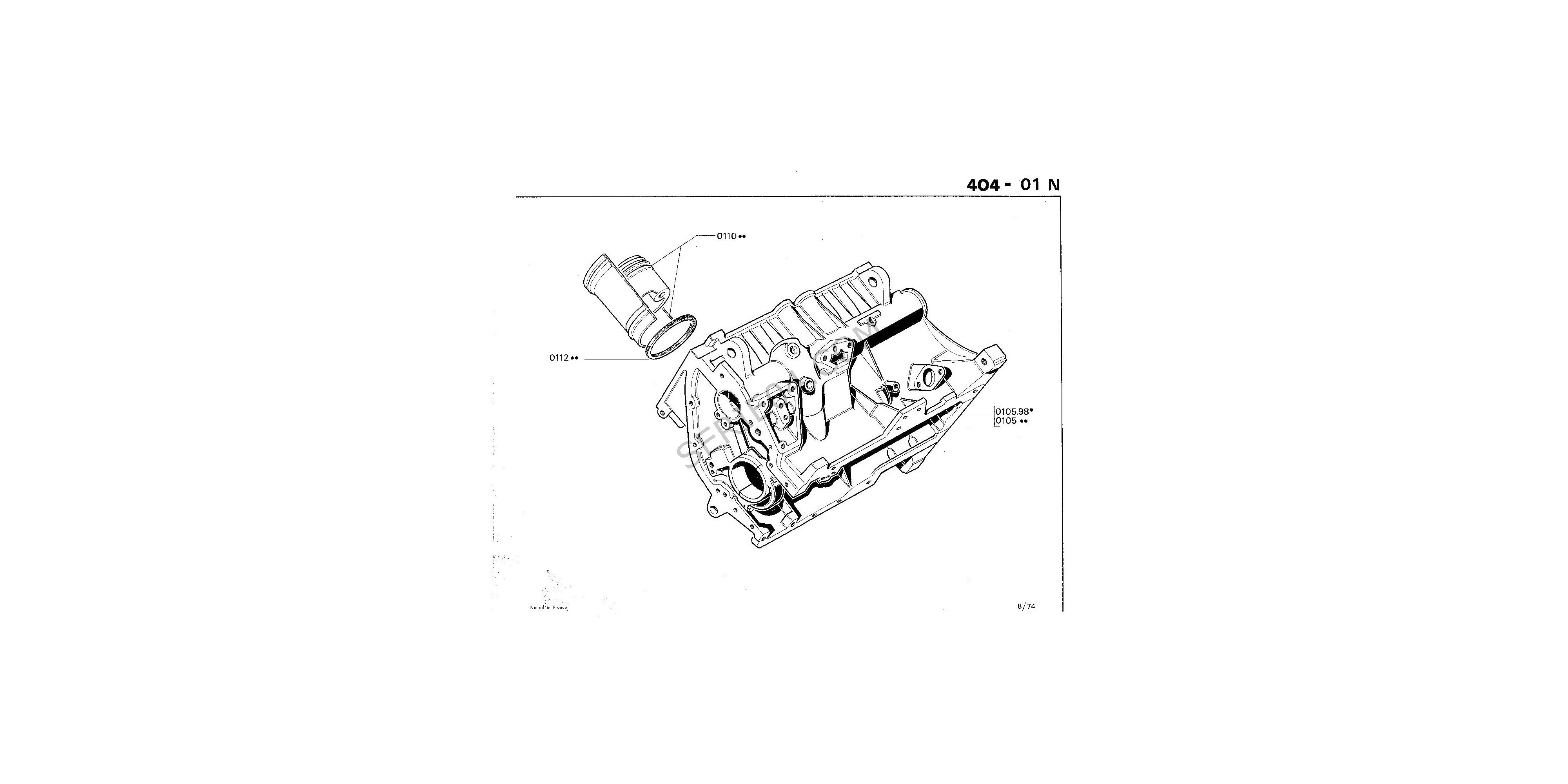
kit chemises pistons
moteur 1L6 XC6
Ø84mm
axe de piston Ø 23mm et longueur 70mm
1618cm3
hauteur de piston hors tout 80mmhauteur de chemise hors tout 136mm et hauteur de chemise seul 114mm
->I 10/1970
2 Article en stock au magasin : Produits disponibles au magasin
Attention dernière pièce disponible !
Date de disponibilité: 01/01/2000

Kit chemises pistons 1L6 XC6 Ø84 axe 23
kit chemises pistons
moteur 1L6 XC6
Ø84mm
axe de piston Ø 23mm et longueur 70mm
1618cm3
hauteur de piston hors tout 80mmhauteur de chemise hors tout 136mm et hauteur de chemise seul 114mm
->I 10/1970
Destinataire :
* Champs requis
OU Annuler
| Voiture | 404-J7 |
| Modèles | Tous modèles |
| Motorisation | Essence Carburateur |
ex 0111 71
écrou en laiton de bride de tube d'échappement Ø10mm hauteur 8mm filetage pas...
jeu de 8 de joints de soupapes Ø7,8mm pour soupape tige de Ø 8mm
joint caoutchouc de chemise cylindre Ø80mm et Ø84mm Ø78x82x5 repère couleur :...