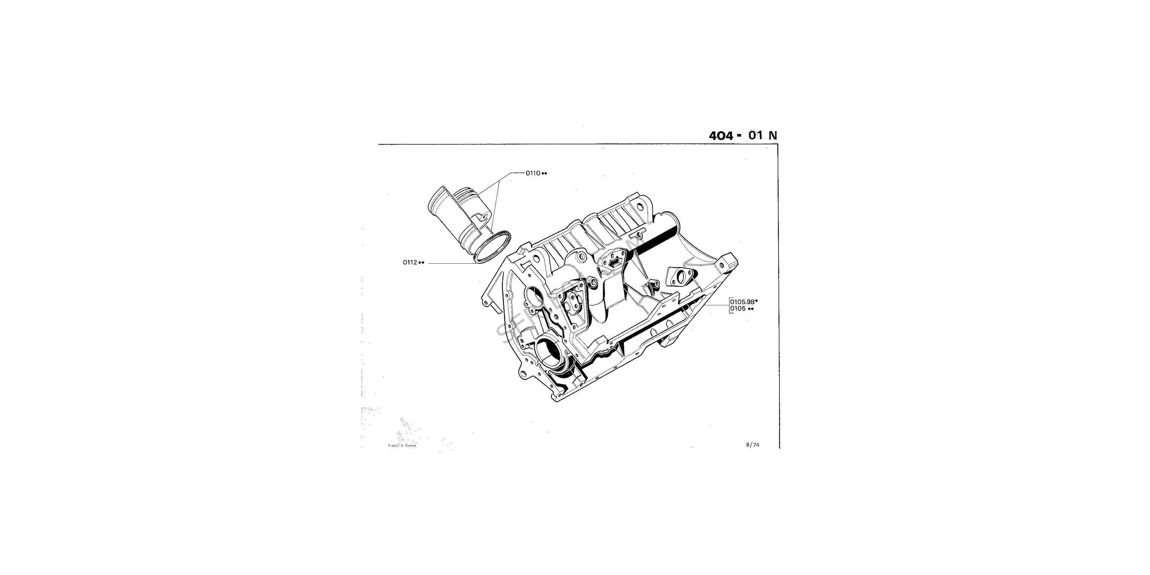
kit chemises pistons
Ø84mm
moteur 1L6-1L6i XC5-XC6-KF1-KF2
axe de piston Ø22mm et longueur 69mm
1965 I-> ->I 1969
ne se monte pas avec le vilebrequin 0501 40PC
0 Article en stock au magasin : Produits disponibles au magasin
Sur commande (+1 semaine)
Attention dernière pièce disponible !
Date de disponibilité: 01/01/2000

Kit chemises pistons 1L6-1L6i XC5-XC6-KF1-KF2 axe 22
kit chemises pistons
Ø84mm
moteur 1L6-1L6i XC5-XC6-KF1-KF2
axe de piston Ø22mm et longueur 69mm
1965 I-> ->I 1969
ne se monte pas avec le vilebrequin 0501 40PC
Destinataire :
* Champs requis
OU Annuler
| Voiture | 404-J7 |
| Modèles | Tous modèles |
| Motorisation | Essence Carburateur et Injection |
jeu de coussinets de vilebrequin de 5 paliers côte réparation 0.30 1970...
joint caoutchouc de cache culbuteurs moteur 1L5-1L6-1L6i-1L8-1L8i-2L0-2L0i...
ventilateur en plastique pour moyeu débrayable 6 pales Ø 330mm couleur : Jaune