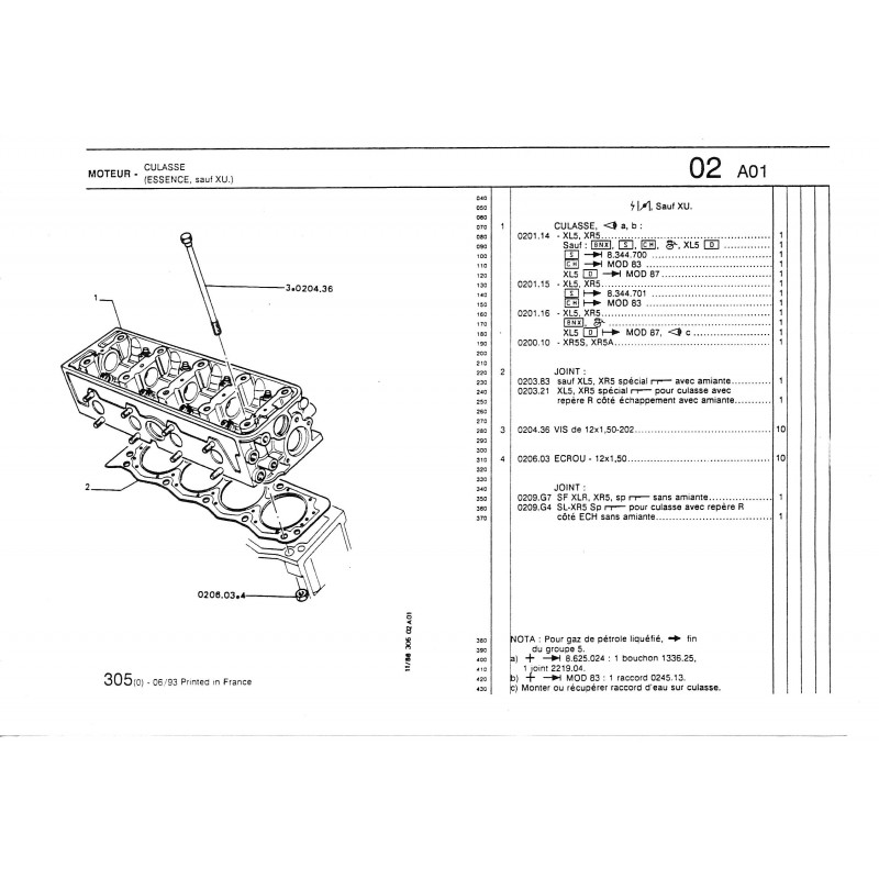
écrou auto-freiné de fixation de culasse
Ø12mm
filetage pas de 150
0 Article en stock au magasin : Produits disponibles au magasin
Ce produit n'est plus en stock
Attention dernière pièce disponible !
Date de disponibilité: 01/01/2000

écrou de culasse
écrou auto-freiné de fixation de culasse
Ø12mm
filetage pas de 150
Destinataire :
* Champs requis
OU Annuler
| Voiture | 204-305-305 |
| Modèles | Tous modèles |
| Motorisation | Essence Carburateur et Diesel |
305 moteur 1L1-1L3-1L5 XK5-XL5-XL5S-XR5-XR5S-XR5A.
204 moteur 1L1 XK bloc 2 pièces et XK4-XK5.
304 moteur 1L1-1L3 XL3-XL3S-XL5-XL5S-XK5.
ex 6935 30
durite supérieure de radiateur->I 1970 moteur 1L1-1L3 XK-XK4-XL3
durite de retour d'eau sur collecteur d'admission tous moteurs ->I 06/1977
durite d'eau sur pipe d'admission Ø15x23 mm 204-304 moteur 1L1-1L3...
Filtre à huile papier hauteur 67mm (hors tout 71mm) Ø82x18mm204-304 moteur...