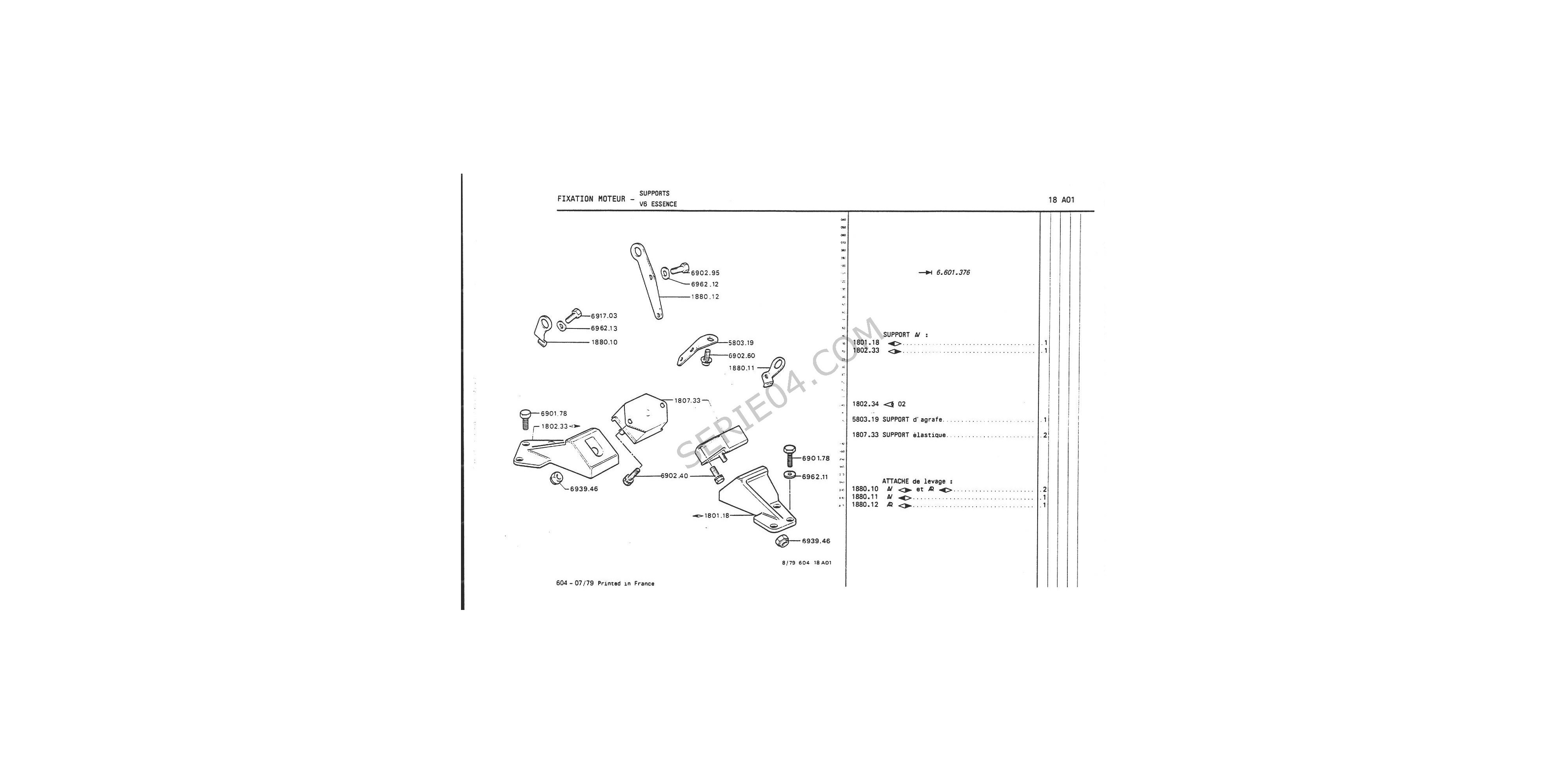
Motor auxiliar V6 2L7-2L7i ZM-ZMJ
504 -> I 3 153 837
604 -> I 6 601 376
40 Elemento artículos
Advertencia: ¡Últimos artículos en inventario!
Disponible el: 01/01/2000

Motor auxiliar V6
Motor auxiliar V6 2L7-2L7i ZM-ZMJ
504 -> I 3 153 837
604 -> I 6 601 376
Destinatario :
* Campos requeridos
o Cancelar
| Coche | 504-604-505 |
| Modelos | Cabrio y Coupe |
| Motores | carburador y de inyección de combustible |
ex 1807 33 V6 talbot ex 7910034545