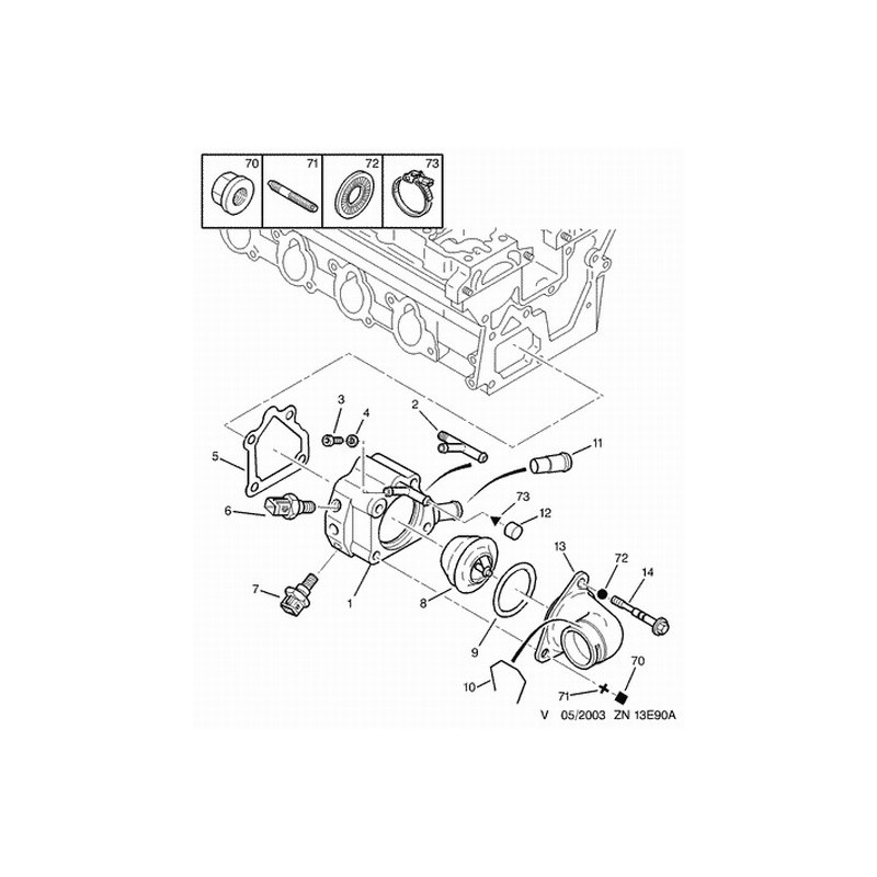
Junta del cárter de agua
Motor 1L8i 16v XU7JP4.
Motor 2L0i 16v XU10J4R.
1 Elemento artículos
Advertencia: ¡Últimos artículos en inventario!
Disponible el: 01/01/2000

Junta del cárter de agua
Junta del cárter de agua
Motor 1L8i 16v XU7JP4.
Motor 2L0i 16v XU10J4R.
Destinatario :
* Campos requeridos
o Cancelar
| Coche | 405-605-306-406-Xantia-XM-Xsara-ZX |
| Motores | inyección de combustible |