Hintere Lagerbuchse für Bosch-Anlasser
Ø12,57x16,56x11,50mm
304 Diesel 1980 I-> Anlasser Bosch 0.001.314.022
305 Diesel XIDL -> 1983 Anlasser Bosch 0.001.314.022
1 Artikel Artikel
Achtung: Letzte verfügbare Teile!
Lieferdatum 01.01.2000

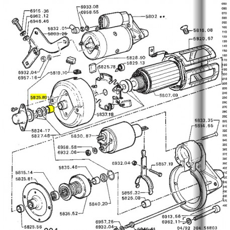
Hintere Lagerbuchse für Bosch-Anlasser
Hintere Lagerbuchse für Bosch-Anlasser
Ø12,57x16,56x11,50mm
304 Diesel 1980 I-> Anlasser Bosch 0.001.314.022
305 Diesel XIDL -> 1983 Anlasser Bosch 0.001.314.022
Empfänger :
* Pflichtfelder
oder Abbrechen
| Auto | 304-305 |
| Motoren | Diesel |